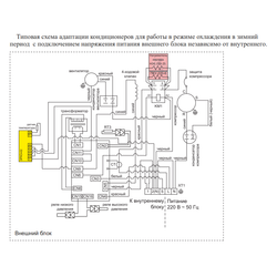
Блок управления вентилятором системы кондиционирования воздуха ЭРКОМ-01 регулирует скорость вращения вентилятора, тем самым стабилизируя давление хладагента в сплит системах.
Регулятор скорости вращения вентилятора выпущен без корпуса, предназначен для работы в режиме охлаждения при отрицательных температурах наружного воздуха и устанавливается в кондиционеры для зимней адаптации.
В комплект для зимней адаптации помимо регулятора скорости вращения ЭРКОМ-01, идет подогрев картера компрессора НЭК (приобретается отдельно), подогрев дренажа НЭД (приобретается отдельно).
Для использования прибора с кондиционерами реверсивного типа предусмотрен вход управляющего напряжения от четырехходового клапана. При его подключении вентилятор работает на максимальных оборотах.
Основные параметры:
- Мощность нагрузки не более 400 Вт
- Диапазон рабочих температур -45 … +80 °С
- Устанавливаемые пороги минимальной температуры +30, +33, +36, +39 °С
- Скорость вентилятора максимальна при +50 °С
- Устанавливаемые пороги минимальной скорости вращения вентилятора 23%, 26%, 30%
