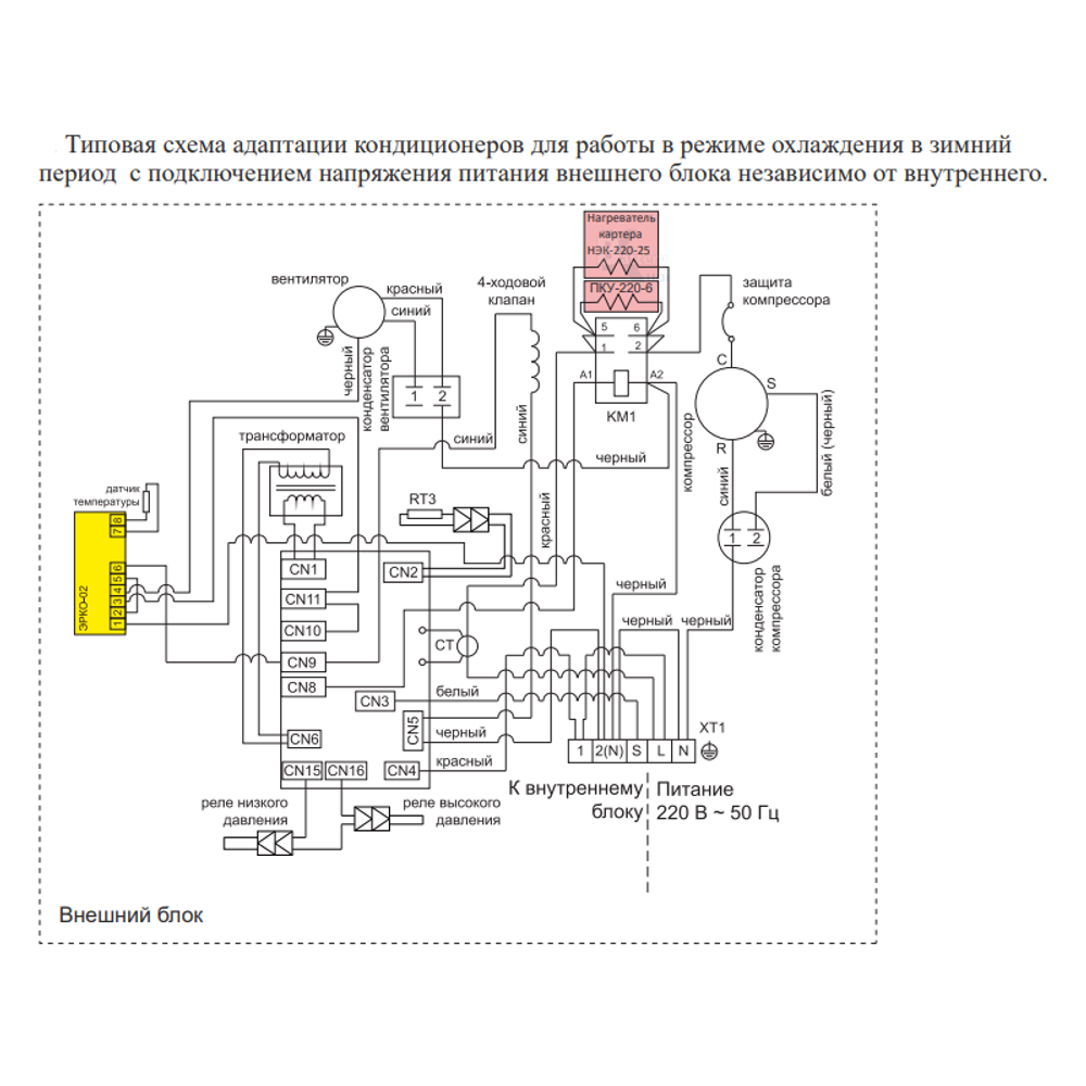
Блок управления вентилятором ЭРКО-02М – это прибор зимней адаптации кондиционеров повышенной мощности с вентилятором охлаждения до 800 Вт. Предназначен для регулирования скорости вращения вентилятора в зависимости от температуры, измеряемой внешним датчиком и рекомендован для установки в кондиционеры (сплитсистемы) повышенной мощности.
Регулятор ЭРКО-02М выполнен в бескорпусном варианте, что позволило существенно уменьшить габариты, тем самым упростить монтаж прибора. Для монтажа прибора в блоке кондиционера предусмотрен специальный носитель.
В комплект для зимней адаптации помимо регулятора скорости вращения ЭРКО-02М, идет подогрев картера компрессора НЭК (приобретается отдельно), подогрев дренажа НЭД (приобретается отдельно).
Основные параметры:
- Мощность нагрузки не более 800 Вт
- Диапазон рабочих температур -45 … +80 °С
- Устанавливаемые пороги минимальной температуры +30, +33, +36, +39 °С
- Скорость вентилятора максимальна при +50 °С
- Устанавливаемые пороги минимальной скорости вращения вентилятора 23%, 26%, 30%
      